Aktuelles 2. Halbjahr 2020
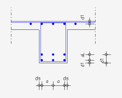
Das Programm "V.0012 - Durchstanznachweis Sektorenmodell" hat bisher nur mit einer Form der Dübelleistenanordnung gearbeitet.
Bei Rechteckstützen, Wandecken oder –köpfen wurde immer eine Diagonalleiste in den Ecken und eine Leiste je Seite im Abstand <= 1d angeordnet. Lediglich bei Seitenkantenlängen >2d wurden an diesen Seiten zwei Dübelleisten im Abstand von b/3 bzw. <= 1d verwendet.
Nach diesem Schema wurde der Bolzendurchmesser für die Leisten bestimmt. Das führte dazu, dass bei hoch belasteten Stützen der erforderliche Bolzendurchmesser bei maximal 3 Bolzen je Bemessungsschnitt im Quadrant >25 mm werden konnte.
In der Vergangenheit konnten von der Firma Halfen derartige Bolzen bezogen werden. Vor einiger Zeit wurde die Fertigung von Leisten mit Bolzendurchmessern >25 mm jedoch eingestellt, so dass in diesen Fällen der Anwender die Leistenanordnung nachträglich umkonstruieren musste.
Der kritische Rundschnitt wurde vom Programm "V.0012 - Durchstanzen Sektorenmodell" bisher nach DIN EN 1992-1-1 6.4.2 (4) und Bild 6.15 ermittelt. Daraus ergab sich, dass je nach Stützenabmessung selbst bei Randabständen von 3,5d bis > 4d noch diese Sonderform des kritischen Rundschnitts verwendet wurde.
Diese Definition führte zu geraden Rundschnittabschnitten senkrecht zum freien Rand, an denen sich kein räumliches Tragverhalten ausbilden konnte und damit der 12d-Regel nach DIN EN 1992 1-1/NA NCI zu 6.4.1(2)P widersprachen.
![]()
Bei unserem Programm "I.0001 - Horizontalkraftverteilung auf aussteifende Bauteile" erfolgte die Gliederung des Ausdrucks bislang ausschließlich nach Lastsituationen.
Dem vielfachen Wunsch unserer Kunden nachkommend, haben wir in diesem Programm mehrere neue Layoutvarianten implementiert, um den Ausdruck zur Berücksichtigung unterschiedlicher Anforderungen an die Auswertung der Ergebnisse entsprechend gestalten zu können.

Unsere langjährigen Kunden kennen sicher noch unser grünes Häkchen in der Kopfzeile der Dialogfenster zum Auslösen unserer <ENDE> - Funktion mit der Maus.
![]()
Mit dieser konnte der gerade aktive Dialog oder Teildialog einschl. dessen Speicherung verlassen werden, ohne die einzelnen Eingabefelder bestätigen zu müssen.
Seit Windows 7 lässt Microsoft das Implementieren von grafischen Elementen in der Kopfzeile eines Fensters aus Sicherheitsgründen nicht mehr zu, so dass wir diese Funktion nicht mehr realisieren konnten. Wir hatten deshalb als Alternative in die Abbruchfunktion (linke Maustaste auf Kreuz oben rechts bzw. <ESC> - Taste) die Kontrollfrage eingebaut, ob der Dialog mit oder ohne Speichern verlassen werden soll. Es waren folglich immer 2 Mausklicks notwendig. Die <ENDE> Funktion konnte direkt nur noch mit der <ENDE>-Taste ausgeführt werden.
Nun haben wir mit großem Aufwand eine Lösung entwickelt, mit der es wieder möglich ist, die <ENDE> - Funktion in jedem Eingabedialog mit einem Mausklick direkt auszulösen.
Unser Programm "V.0012 - Durchstanzen Sektorenmodell" ist jetzt als erstes auf dem Markt in der Lage, mit dem vor Kurzem neu entwickelten Aufsatz "V.0013 - Durchstanzen Sektorenmodell Filigran FDB", Durchstanznachweise für Flachdecken mit stark unterschiedlichen Stützweiten sowie beliebigen Flächen- und Sonderlasten auch für die in der Praxis häufig verwendete Durchstanzbewehrung "Filigran FDB" zu führen. Dieser Aufsatz ist eine Erweiterung des Basis-Moduls V.0012 und kann bei vorhandenem V.0012 als Ergänzung bzw. bei Neuanschaffungen im Paket mit diesem erworben werden. Die entsprechenden Preise sind der aktuellen Preisliste zu entnehmen.

In unseren Trägerprogrammen G.0021 - Stahlträger und G.0061 - Holzbalken kann man schon seit jeher zwischen Einzelträgern und einer Trägerlage wählen. Bei einem Einzelträger beziehen sich alle eingegebenen Einzel- und Streckenlasten direkt auf den betrachteten Träger. Die Trägerlage ist für Flächentragwerke wie Decken- oder Dächer gedacht, hier beziehen sich die eingegebenen Flächen- und Streckenlasten jeweils auf einen m2 / m der Fläche / Breite des Tragwerks. Dies erleichtert u.a. die Ermittlung und Übernahme der Lasten über die Module Wind-/Schneelast oder aus anderen Positionen. Über den Trägerabstand werden die Lasten und Schnittgrößen für die Bemessung, die Verformungen etc. auf den einzelnen Träger umgerechnet, die Ausgabe einiger Werte wie z.B. Schnittgrößen und Auflagerkräften erfolgt aber je laufenden Meter der Breite.
Der Stabilitätsnachweis BDKN wurde im Programm "K.0021 - Stahlstütze" mangels genauer Detailangaben bislang immer mit der Systemlänge als Wölblänge und Lastangriff der Horizontallasten an der Oberkante des Profils (sichere Seite) geführt.
Dies führte dazu, dass die Ergebnisse je nach Lastangriff weit auf der sicheren Seite lagen und damit für den Fall, dass dieser Nachweis maßgebend wurde, teilweise zu unwirtschaftlichen Lösungen führten.
Das Programm wurde deshalb erweitert.
Oft kommt es in der Praxis vor, dass für nur mit Kaltbemessung eingegebene Positionen nachträglich eine Heißbemessung durchgeführt werden soll. Hierbei ist es von entscheidendem Vorteil, wenn die Position dafür nicht neu erfasst werden muss. Dies haben wir bisher schon bei den Stahlbetonbauteilen berücksichtigt, bei denen schon lange die Möglichkeit besteht, die Positionen entsprechend umzuwandeln.
Dies ist ab sofort auch im Holzbau möglich. Nun können auch Holzbalkenpositionen (Programm G.0061) in G.0062 und Holzstützenpositionen (Programm K.0061) in K.0062 umgewandelt werden.
(c) 2025 Vogelsang - Systemhaus im Bauwesen - Bahnhofstraße 21g - 27419 Sittensen - 04282/50930970